02.202 Fucoli dragfasta servisventiler med direktinstick/utvändig gänga
Servisventil PN16. Direktinstick för PE och utvändig gänga; fritt genomlopp
Fördelar
- Fullt vulkaniserad sluss/kägla med fixerad spindelmutter i avzinkningshärdig CW617N mässing (accepterad på UBA lista)
- Fullt fritt genomlopp
- Syrafast spindel
- 4 spindeltätningar säkerställer lång hållbarhet
- Lägsta möjliga stängningsmoment
- Dubbla läppringstätningar
- Blå för dricksvatten (EPDM) Rödbrun för avlopp (NBR)
Dokument och länkar
Med PE-ändar, PE100, PN16, SDR11; fritt genomlopp. DN32-DN50
|
RSK nr.EPDM
|
RSK nr.NBR
|
DN
|
Tryck-klass
|
Ansl.
|
För YDmm
|
Lmm
|
Emm
|
Hmm
|
H1mm
|
Spindelmm
|
a1mm
|
a2mm
|
Varv
|
MaxNm
|
Viktkg
|
Varukorg
|
|---|---|---|---|---|---|---|---|---|---|---|---|---|---|---|---|---|
|
430 21 24
|
4328480
|
25
|
PN16
|
utv.R25
|
32
|
173
|
68
|
177
|
209
|
13,1
|
18
|
35
|
7
|
10
|
3
|
|
|
432 85 80
|
4328581
|
25
|
PN16
|
utv.R32
|
32
|
173
|
68
|
177
|
209
|
13,1
|
18
|
35
|
7
|
3
|
|
|
|
430 21 25
|
4328481
|
32
|
PN16
|
utv.R32
|
40
|
195
|
77
|
206
|
245
|
13,1
|
18
|
35
|
10
|
15
|
5
|
|
|
430 21 26
|
4328482
|
40
|
PN16
|
utv.R40
|
50
|
220
|
96
|
206
|
245
|
13,1
|
18
|
35
|
10
|
15
|
5
|
|
|
430 21 27
|
4328483
|
50
|
PN16
|
utv.R50
|
63
|
253
|
110
|
238
|
292
|
13,1
|
18
|
35
|
13
|
25
|
8
|
|
Standarder:
Designad enl. EN 1074 del 1 & 2 och EN 1171
Utvändig BSP gänga enligt ISO 228-1 and ISO 1179-1
Muff för PE rör PE80 och PE100 enl. EN 1220 upp till PN16
På förfrågan: Spindel i andra kvaliteter
Arbetstemperatur: 0-40°C (ej frost)
Tillverkad i Europa
15 års garanti
|
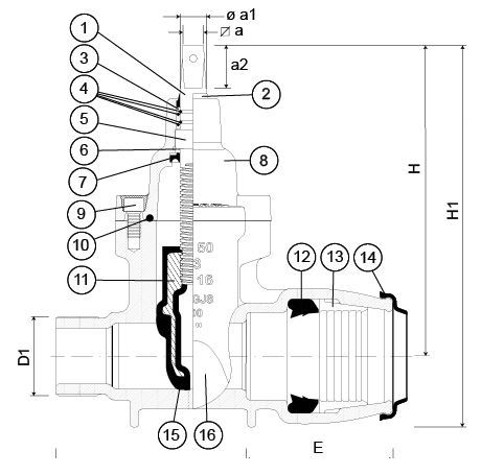
Nr
|
Komponent
|
Material BLÅ/RÖDBRUN
|
Standard
|
Varukorg
|
|---|---|---|---|---|
|
1
|
Spindel
|
Syrafast spindel med rullade gängor 1.4404
|
EN 10088-1
|
|
|
2
|
Avstrykarring
|
Elastomer
|
|
|
|
3
|
Lager
|
POM
|
|
|
|
4
|
Spindeltätn./O-ring
|
Elastomer EPDM/NBR
|
EN 681-1
|
|
|
5
|
Spindelmutter
|
Fixerad spindelmutter av avzinkningshärdig mässing (CuZn36Pb3)
|
EN12164
|
|
|
6
|
Kamring
|
Rostfritt stål A2
|
EN 12164
|
|
|
7
|
Manschett
|
Elastomer EPDM/NBR
|
EN 681-1
|
|
|
8
|
Överdel
|
Segjärn EN-GJS-500-7
|
EN 1563
|
|
|
9
|
Bult överdel
|
Rostfritt stål A2
|
EN 10088-1
|
|
|
10
|
Överdel packning
|
Utblåsningssäker EPDM/NBR
|
EN 681-1
|
|
|
11
|
Kägla
|
Mässing
|
EN 12164
|
|
|
12
|
Läppringstätning
|
Elastomer EPDM/NBR
|
EN 681-1
|
|
|
13
|
Klämring
|
POM
|
|
|
|
14
|
Skyddsdamask
|
Elastomer
|
EN 681-1
|
|
|
15
|
Beläggning kägla
|
Fullt vulkaniserad EPDM/NBR
|
EN 681-1
|
|
|
16
|
Ventilhus
|
Segjärn EN-GJS-500-7
|
EN 1563
|
|