01.110 Fucoli linjaventtiili Nexus laipalla F4 PN10/16
Fucoli-Somepal pehmeästi sulkeutuva linjaventtiili. Laipalla; lyhyt rakennepituus F4; vapaa virtaus.
Hyödyt
- Vapaa läpivirtaus
- Sulkeutumismomentti on pienempi kuin standardit
Dokumentit ja linkit
Fucoli-Somepal 01.101 sulkuventtiili
Vapaa läpivirtaus
|
RSK nr.EPDM
|
RSK nr.NBR
|
DN
|
Laippa-Poraus
|
Dmm
|
Lmm
|
Hmm
|
H1mm
|
Kmm
|
Akseli(a)mm
|
a1mm
|
a2mm
|
Kierros
|
Painokg
|
Ostoskori
|
|---|---|---|---|---|---|---|---|---|---|---|---|---|---|---|
|
437 64 09
|
4376425
|
50
|
PN10/16
|
165
|
150
|
214
|
297
|
125
|
14,1
|
18
|
29
|
13
|
10
|
|
|
437 64 10
|
4376426
|
65
|
PN10/16
|
185
|
170
|
252
|
345
|
145
|
17,1
|
22
|
34
|
14
|
12
|
|
|
437 64 11
|
4376427
|
80
|
PN10/16
|
200
|
180
|
277
|
377
|
160
|
17,1
|
22
|
34
|
16
|
14
|
|
|
437 64 12
|
4376428
|
100
|
PN10/16
|
220
|
190
|
306
|
416
|
1480
|
19,1
|
23
|
38
|
20
|
17
|
|
|
437 64 13
|
4376429
|
125
|
PN10/16
|
250
|
200
|
342
|
467
|
210
|
19,1
|
23
|
38
|
25
|
22
|
|
|
437 64 14
|
4376430
|
150
|
PN10/16
|
285
|
210
|
400
|
542
|
240
|
19,1
|
26
|
38
|
30
|
31
|
|
|
437 64 15
|
4376431
|
200
|
PN10
|
340
|
230
|
471
|
641
|
295
|
24,1
|
28
|
38
|
40
|
47
|
|
|
437 64 16
|
4376432
|
200
|
PN16
|
340
|
230
|
471
|
641
|
295
|
24,1
|
28
|
38
|
40
|
47
|
|
Työlämpötila: 0-70°C (ei jäätä)
Standardit:
Suunnittelu enl. EN 1074 del 1 & 2 och EN 1171
Laipat EN 1092-2 PN10/16
Asennuspituus enl EN 558 F4
Kysy meiltä:
Akseli muut materiaalit
Suurempi sulkuventtiili
Valmistettu Euroopassa
|
|
Komponentit
|
Materiaalit
|
Standardit
|
|---|---|---|---|
|
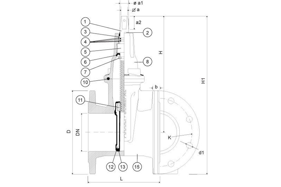
1
|
Kara
|
Ruostumaton kara rullaavat kierteet 1.4404
|
EN 10088-1
|
|
2
|
Ohjausrengas
|
Elastomeeri
|
|
|
3
|
Laakeri
|
POM
|
|
|
4
|
O-rengas
|
Elastomeeri EPDM/NBR
|
EN 681-1
|
|
5
|
Karanmutteri
|
sinkkikadonkestävä messinki (CuZn36Pb3)
|
EN 12164
|
|
6
|
O-rengas
|
Elastomeerr EPDM/NBR
|
EN 681-1
|
|
7
|
Stoppari
|
Ruostumaton teräs
|
EN 10088-1
|
|
8
|
Pultti
|
Valurauta EN-GJS-500-7
|
EN 1563
|
|
9
|
Pultit
|
Ruostumaton teräs A2
|
EN 10088-1
|
|
10
|
ulkotiiviste
|
Räjähdyssuojattu EPDM/NBR
|
EN 681-1
|
|
11
|
Karanmutteri
|
Messinki
|
EN 12164
|
|
12
|
Keila
|
Valurauta EN-GJS-500-7
|
EN 1563
|
|
13
|
Keilan pinnoite
|
Vulkanisoitu EPDM/NBR
|
EN 681-1
|
|
14
|
Liukuva ohjain
|
Polyamidi
|
|
|
15
|
Venttiilipesä
|
Valurauta EN-GJS-500-7
|
EN 1563
|